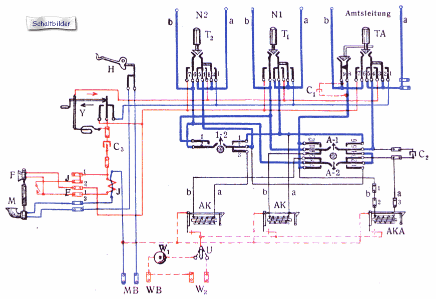
M07 bzw. M1907 SchaltbildSchaltbilder